
產品詳細


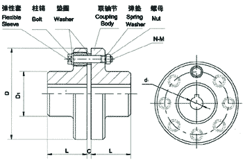
Flexible Couplings Model FCLis widely used for its compact designing,easy installation,convenient maintenance,small size and light weight.As long as the relative displacement between shafts is kept within the specified tolerance,B couplings will operate the best function and have a longer working life.Thus it is greatly demanded in medium and minor power transmission systems driven by moters,such as speed reducers,hoists,compressos,conveyers,spinning and weaving machines and ball mills. TK 彈性塊式聯軸器
|
型號 |
許用轉矩 |
許用轉速 |
D |
D 1 |
d 1 |
L |
C |
n-M |
重量 |
|
FCL90 |
4 |
4000 |
90 |
35.5 |
11 |
28 |
3 |
4-M8×50 |
1.7 |
|
FCL100 |
10 |
4000 |
100 |
40 |
11 |
35.5 |
3 |
4-M10×56 |
2.3 |
|
FCL112 |
16 |
4000 |
112 |
45 |
13 |
40 |
3 |
4-M10×56 |
2.8 |
|
FCL125 |
25 |
4000 |
125 |
50 |
13 |
45 |
3 |
4-M12×64 |
4.0 |
|
FCL140 |
50 |
4000 |
140 |
63 |
13 |
50 |
3 |
6-M12×64 |
5.4 |
|
FCL160 |
110 |
4000 |
160 |
80 |
15 |
56 |
3 |
8-M12×64 |
8.0 |
|
FCL180 |
157 |
3500 |
180 |
90 |
15 |
63 |
3 |
8-M12×64 |
10.5 |
|
FCL200 |
245 |
3200 |
200 |
100 |
21 |
71 |
4 |
8-M20×85 |
16.2 |
|
FCL224 |
392 |
2850 |
224 |
112 |
21 |
80 |
4 |
8-M20×85 |
21.3 |
|
FCL220 |
618 |
2550 |
250 |
125 |
25 |
90 |
4 |
8-M24×110 |
31.6 |
|
FCL280 |
980 |
2300 |
280 |
140 |
34 |
100 |
4 |
8-M24×116 |
44.0 |
|
FCL315 |
1568 |
2050 |
315 |
160 |
41 |
112 |
4 |
10-M24×116 |
57.7 |
|
FCL355 |
2450 |
1800 |
355 |
180 |
60 |
125 |
5 |
8-M30×50 |
89.5 |
|
FCL400 |
3920 |
1600 |
400 |
200 |
60 |
125 |
5 |
10-M30×150 |
113 |
|
FCL450 |
6174 |
1400 |
450 |
224 |
65 |
140 |
5 |
12-M30×150 |
145 |
|
FCL560 |
9800 |
1150 |
560 |
250 |
85 |
160 |
5 |
14-M30×150 |
229 |
|
FCL630 |
15680 |
1000 |
630 |
280 |
95 |
180 |
5 |
18-M30×150 |
296 |
- 上一篇:LT型(原TL型)彈性套柱銷聯軸器
- 下一篇:泵用彈性套柱銷聯軸器

