
產品詳細
JS型蛇形彈簧聯軸器產品介紹:
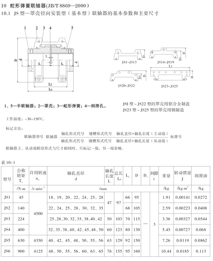
蛇形彈簧聯軸器,是一種結構*的金屬彈性聯軸器,它靠蛇形彈簧片來傳遞扭矩,也是一種非常通用的軸聯接傳動部件蛇形彈簧聯軸器共有九類型式,分別是JS罩殼徑向安裝型(基本型)蛇形彈簧聯軸器、JSB罩殼軸向安裝型蛇形彈簧聯軸器、JSS雙法蘭聯接型蛇形彈簧聯軸器、JSD單法蘭聯接型蛇形彈簧聯軸器、SJS接中間軸型蛇形彈簧聯軸器、JSG高速型蛇形彈簧聯軸器、JSZ帶制動輪型蛇形彈簧聯軸器、JSP帶制動盤型蛇形彈簧聯軸器、JSA安全型蛇形彈簧聯軸器等。
蛇形彈簧聯軸器其主要結構是由兩個半聯軸節,兩個半外罩,兩個密封圈及蛇形彈簧片組成。它是靠蛇簧嵌入兩半聯軸節的齒槽內來傳遞扭矩,聯軸器以蛇形彈簧片嵌入兩個半聯軸節的齒槽內,來實現主動軸與從動軸的鏈接。運轉時,是靠主動端齒面對蛇簧的軸向作用力帶動從動端,來傳遞扭矩,如此在很大程度上避免了共振現象發生,且簧片在傳遞扭矩時所產生的彈性變量,使機械系統能獲得較好的減振效果,其平均減振率達36%以上。



- 上一篇:JSB型蛇形彈簧聯軸器
- 下一篇:JSD型蛇簧聯軸器

